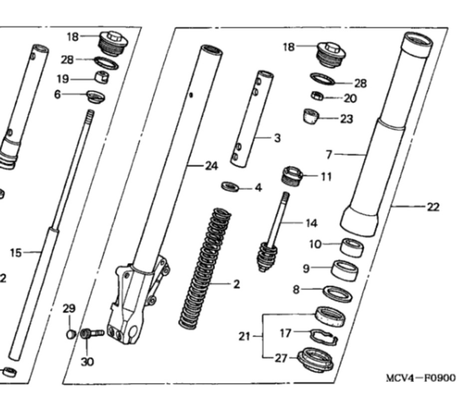
На схеме элемент №18
51450-MZ0-003

Привет, грани повреждены. Чтобы открутить, придётся её до конца убить, поэтому нужна на замену
Привет, будь добр, глянь, может подойдёт. А то у моей грани сорваны, не смогу открутить без окончательного уничтожения родной гайки ((
Видимо, ослабляли не в траверсе, а в тисках. На снятой вилке гайковерт хорошо спасает
Вангую, что ты не открутил болт на верхней траверсе
Верно вангуешь)) одно перо забыли ослабить, + на sata головке, которой откручивали гайку, шлицы идут не с самого края, как оказалось.
Сейчас этот форум просматривают: нет зарегистрированных пользователей и 0 гостей